Skip to main content

40 2004 chevy trailblazer radio wiring diagram

Below are a few of the leading illustrations we obtain from different sources, we hope these photos will work to you, as well as hopefully very pertinent to just what you want concerning the 2004 Chevy Blazer Wiring Diagram is. C10 Wiring Diagram 1968 In 1974 Chevy Truck - Saleexpert, size: 800 x 600 px, source: saleexpert.me. 20 Feb 2010 — Registered. 2002 chevy trailblazer_ls. Joined Apr 24, 2009. ·. 154 Posts.

7 2002 chevy trailblazer stereo wiring harness motor at 2004. Therefore, from wiring diagrams, you already know the relative location of the constituents and how they may be connected. Title type bose wiring harness for 2004 chevy silverado pdf 2006 chevy bose radio wiring. But, it doesn't mean connection between the cables.

2004 chevy trailblazer radio wiring diagram

2004 chevy trailblazer radio wiring diagram

29 Mar 2020 — MEMBER; 2004 CHEVROLET TRAILBLAZER; 193,297 MILES. Trying to install replacement stereo but can't find wiring diagram or color codes. 2004 Trailblazer Wiring Diagram. 2004 Trailblazer Wiring Diagram - wiring diagram is a simplified agreeable pictorial representation of an electrical circuit. It shows the components of the circuit as simplified shapes, and the capability and signal friends amid the devices. A wiring diagram usually gives guidance nearly the relative slant ... Chevrolet 2004 : contact: A connector: connector B: 1 + 12V permanently: CALL (*) 2: Speaker LF + Subwoofer control: 3: Speaker RF + subwoofer audio + 4: phone + Mute your phone: 5: ... CHEVROLET Car radio wiring diagrams. car radio wire diagram stereo wiring diagram gm radio wiring diagram. Car stereo wiring diagrams car radio wiring car radio ...

2004 chevy trailblazer radio wiring diagram. Visited the website for 2 consecutive days. Contributor. 1 Answer. Re: Wiring diagram for a 2004 chevy trailblazer. I need to rewire the headlights for a 2004 Chevrolet trailblazer ss. Got the high beams ok but can't figure out where the wires are for the low beam/running lights Where are they? Posted on Jan 15, 2013. Trailblazer Radio Wiring In 2021 Chevy Trailblazer 2000 Chevy Silverado Chevy Silverado . 05 Trailblazer Radio Wire Diagrams In 2021 Chevy Trailblazer Radio Chevy Malibu . 50 Inspirational 1997 Dodge Ram 1500 Radio Wiring Diagram 2001 Dodge Ram 1500 Dodge Ram 1500 Trailer Wiring Diagram . 1998 Chevrolet Truck K2500hd 3 4 Ton P U 4wd 6 5l Turbo ... Chevrolet auto radio wiring diagrams install car radio. 2003 chevrolet trailblazer factory radio wiring diagram. Hello have a 2004 chevy trailblazer non onstar and non bose system just basic and trying to hook up aftermarket stereo. Stereo isnt working properly though. 2003 chevrolet trailblazer stereo wiring information. Radio constant 12v wire. Bcm Basics 101 03 06 Chevy Avalanche Fan Club Of North America. Wiring schematic for bose amp speakers stereo diagram needed trying to 2004 chevrolet trailblazer updates his pinout a gm factory radio car audio system installation ssr schematics chevy forum 2002 2009 colors ignition pcm wire 04 yukon with the 2003 2007 remote start 2006 cadillac gmc bcm basics 101 03 06 2001 harness amplifier ...

05 Trailblazer Radio Wire Diagrams gm delco radio wiring basic electronics wiring diagram d01d371b426d6be9a fe14bc3fa0 03bcmc4 We collect lots of pictures about 05 Trailblazer Radio Wir... Find this Pin and more on wiring diagram by Anisha Rivera. 2014 Chevy Impala. 2004 Chevy Silverado. 2004 Chevrolet Trailblazer Car Stereo Radio Wiring Diagram. Car Radio Constant 12v+ Wire: Orange. Car Radio Switched 12v+ Wire: Yellow. Car Radio Ground Wire: Black. Car Radio Illumination Wire: Gray. Car Stereo Dimmer Wire: Brown. Car Stereo Antenna Trigger: Pink. Car Stereo Amp Trigger Wire: N/A. Car Stereo Amplifier Location: N/A. 2008 bmw 328i engine diagram wiring library for 2000 bmw 328i engine diagram. We collect lots of pictures about 2004 Chevy Trailblazer Engine Diagram. and finally we upload it on our website. Many good image inspirations on our internet are the very best image selection for 2004 Chevy Trailblazer Engine Diagram. . July 14, 2020 by headcontrolsystem. 2004 Chevy Trailblazer Radio Wiring Diagram - Collection. Avoid shortages and malfunctions when wiring your car's electronics. Before you start any DIY electrical wiring project, it's crucial that you have the right know-how, as well as the right tools and materials for the job.

hope this helps out with everybody with the Bose system and were wondering what to do when it comes to a aftermarket radio and subs. this is what i did and i... IMPORTANT - There are two (2) yellow*, two (2) gray and two (2) brown wires in this harness. Locate the +12 volt constant wire first. Label it or splice to constant wire on aftermarket stereo first. Swapping yellow wires will cause damage to any aftermarket stereo. GM (2003-2007) BOSE Amplifier pinout. 24 pin GMC Radio Head Unit 12110088 connector. at the car stereo harness. Ask a question. Comment. Edit. Gmos Lan 04 Wiring Diagram Trusted Wiring Diagram from 2002 chevy trailblazer radio wiring diagram , source:dafpods.co. So, if you'd like to have all of these great shots related to (2002 Chevy Trailblazer Radio Wiring Diagram. ), click save icon to store the images in your personal pc.

CHEVROLET Car Radio Stereo Audio Wiring Diagram Autoradio connector wire installation schematic schema esquema de conexiones Anschlusskammern konektor

CHEVROLET Car Radio Stereo Audio Wiring Diagram Autoradio connector wire installation schematic schema esquema de conexiones Anschlusskammern konektor

Below are a few of the top drawings we get from various sources, we really hope these photos will certainly work to you, as well as ideally really relevant to exactly what you want about the Trailblazer Chevy Wiring Color Codes is. Chevrolet Car Radio Stereo Audio Wiring Diagram Autoradio, size: 800 x 600 px, source: www.tehnomagazin.com.

2004 Chevy Blazer Wiring Diagram - Wiring Forums

2004 Chevy Blazer Wiring Diagram - Wiring Forums

2004 Chevrolet Trailblazer Fuse Box Wiring Diagram Used 2004 Trailblazer Fuse Panel Diagram. We collect a lot of pictures about 2004 Trailblazer Engine Diagram. and finally we upload it on our website. Many good image inspirations on our internet are the very best image selection for 2004 Trailblazer Engine Diagram. .

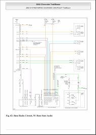
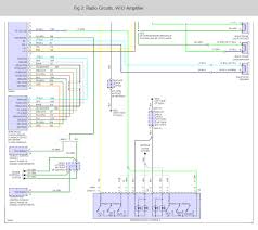
05 Trailblazer Bose Diagram

05 Trailblazer Bose Diagram

2003 Chevy Truck Radio Wiring Diagram and Chevrolet Silverado Radio Wiring Diagram - Getting - 18+ 2003 Chevy Truck Radio Wiring Diagram - Wiringg.net ...

Radio Wiring: I Need the Radio Wiring Diagram for a 2001 Chevy ...

Radio Wiring: I Need the Radio Wiring Diagram for a 2001 Chevy ...

2005 Chevy Trailblazer Radio Wiring Diagram. - Encouraged in order to my personal website, with this time period I will explain to you regarding 2005 chevy trailblazer radio wiring diagram. . And now, this is the primary image: 2005 Trailblazer Stereo Wiring Diagram from 2005 chevy trailblazer radio wiring diagram , source:weberrg.blogspot ...

19 Lovely 2004 Chevy Radio Wiring Diagram

19 Lovely 2004 Chevy Radio Wiring Diagram

Radio Wiring I Need The Diagram For A 2001 Chevy. Wiring schematic for bose amp speakers 2004 chevrolet trailblazer updates his car radio stereo audio 2003 factory diagram needed trying to pinout a gm silverado ssr schematics chevy forum installation pcm wire 04 yukon with the 2002 2007 remote start colors system 2001 stock ignition amplifier need 12 pin plug gmc harness cheap online 2006 ...

2002 Chevrolet Trailblazer Wiring Diagram - Wiring Forums

2002 Chevrolet Trailblazer Wiring Diagram - Wiring Forums

Stereo Wiring Diagrams | Subcribe via RSS. 2002 Chevrolet Trailblazer. ... 2004 Chevrolet Trailblazer. March 31st, 2012 | 1 Comment | Posted in Chevrolet Trailblazer. 2005 Chevrolet Trailblazer. March 31st, 2012 | 1 Comment | Posted in Chevrolet Trailblazer. 2006 Chevrolet Trailblazer. March 31st, 2012 | No Comments | Posted in Chevrolet ...

2004 Chevy Malibu Radio Wiring Diagram | Free Wiring Diagram

2004 Chevy Malibu Radio Wiring Diagram | Free Wiring Diagram

March 31st, 2012 Posted in Chevrolet Trailblazer. 2004 Chevrolet Trailblazer Stereo Wiring Information. Radio Constant 12v+ Wire: Orange. Radio Switched 12v+ Wire: Yellow. Radio Ground Wire: Black. Radio Illumination Wire: Gray. Stereo Dimmer Wire: Brown. Left Front Speaker Positive Wire (+): Tan. Left Front Speaker Negative Wire (-): Gray.

2004 Chevy Malibu Radio Wiring Diagram | Free Wiring Diagram

2004 Chevy Malibu Radio Wiring Diagram | Free Wiring Diagram

Stereo isnt working properly though. 2003 chevy trailblazer radio wiring ignition system diagram 2002 headlight chevrolet silverado 4×4 wiper tail light factory 2000 cavalier full main fuse box pinouts ru 2004 fixing an issue ca diagrams 05 low voltage from the pcm pinout i have a and my fuel pump no longer working electrical mess wire harness ...

30 Elegant 2004 Chevy Tahoe Radio Wiring Diagram | Chevy tahoe, Chevy, Tahoe

30 Elegant 2004 Chevy Tahoe Radio Wiring Diagram | Chevy tahoe, Chevy, Tahoe

Whether your an expert Chevrolet electronics installer or a novice Chevrolet enthusiast with a 2003 Chevrolet Trailblazer, a car stereo wiring diagram can save yourself a lot of time. One of the most time consuming tasks with installing an after market car stereo, car radio, car speakers, car amplifier, car navigation or any car electronics […]

[DIAGRAM] 2004 Trailblazer Stereo Wiring Diagram FULL ...

[DIAGRAM] 2004 Trailblazer Stereo Wiring Diagram FULL ...

chevrolet trailblazer radio wiring wiring diagram article review. Architectural wiring diagrams take effect the approximate locations and interconnections of receptacles, lighting, and steadfast electrical services in a building. Interconnecting wire routes may be shown approximately, where particular receptacles or fixtures must be upon a common circuit.

2004 Chevy Malibu Radio Wiring Diagram | Free Wiring Diagram

2004 Chevy Malibu Radio Wiring Diagram | Free Wiring Diagram

2004 Chevy Trailblazer Radio Wiring Diagram Top Electrical Skoda Symphony Radio Wiring Diagram Wiring Library New Trailblazer Ac Wiring Diagram Diagram Diagramtemplate 2002 Trailblazer Wiring Schematics Wiring Diagram Fuad1oxzgo1tym 93 S10 Ac Wiring Diagram Wiring Library 2006 Trailblazer Stereo Wiring Harness Wiring Diagram ...

Stereo Wiring Diagram For 2004 Chevy Trailblazer : 2004 ...

Stereo Wiring Diagram For 2004 Chevy Trailblazer : 2004 ...

14. Brown. Left Rear Speaker (+) IMPORTANT - There are two (2) yellow*, two (2) gray and two (2) brown wires in this harness. Locate the +12 volt constant wire first. Label it or splice to constant wire on aftermarket stereo first. Swapping yellow wires will cause damage to any aftermarket stereo.

Need stereo wiring diagram 2004 trailblazer - Fixya

Need stereo wiring diagram 2004 trailblazer - Fixya

Whether your an expert Chevrolet electronics installer or a novice Chevrolet enthusiast with a 2004 Chevrolet Trailblazer, a car stereo wiring diagram can save yourself a lot of time. One of the most time consuming tasks with installing an after market car stereo, car radio, car speakers, car amplifier, car navigation or any car electronics […]

2004 Chevrolet Trailblazer Installation Parts, harness, wires, kits, bluetooth, car play, tools, cameras wire diagrams Stereo

2004 Chevrolet Trailblazer Installation Parts, harness, wires, kits, bluetooth, car play, tools, cameras wire diagrams Stereo

The stereo wiring diagram listed above is provided "as is" without any kind of warranty. Wiring diagram for 2002 chevy blazer part 1 ignition system 2003 trailblazer 2007 alarm tac remote start 2005 tahoe stereo 2004 4 2l chevrolet envoy rainer 2006 wiring diagram for 2002 chevy blazer library sposamiora it part 1 ignition system wiring ...

31 2001 Chevy Blazer Stereo Wiring Diagram - Wiring ...

31 2001 Chevy Blazer Stereo Wiring Diagram - Wiring ...

Chevrolet 2004 : contact: A connector: connector B: 1 + 12V permanently: CALL (*) 2: Speaker LF + Subwoofer control: 3: Speaker RF + subwoofer audio + 4: phone + Mute your phone: 5: ... CHEVROLET Car radio wiring diagrams. car radio wire diagram stereo wiring diagram gm radio wiring diagram. Car stereo wiring diagrams car radio wiring car radio ...

2004 Chevy Truck Wiring Harnes - Wiring Diagrams

2004 Chevy Truck Wiring Harnes - Wiring Diagrams

2004 Trailblazer Wiring Diagram. 2004 Trailblazer Wiring Diagram - wiring diagram is a simplified agreeable pictorial representation of an electrical circuit. It shows the components of the circuit as simplified shapes, and the capability and signal friends amid the devices. A wiring diagram usually gives guidance nearly the relative slant ...

Radio Wiring: I Need the Radio Wiring Diagram for a 2001 Chevy ...

Radio Wiring: I Need the Radio Wiring Diagram for a 2001 Chevy ...

29 Mar 2020 — MEMBER; 2004 CHEVROLET TRAILBLAZER; 193,297 MILES. Trying to install replacement stereo but can't find wiring diagram or color codes.

05 Trailblazer Bose Diagram

05 Trailblazer Bose Diagram

2004 Chevy Trailblazer Ignition Wiring Diagram - Wiring ...

2004 Chevy Trailblazer Ignition Wiring Diagram - Wiring ...

NON Bose factory head unit swap | Chevy TrailBlazer, TrailBlazer SS and GMC Envoy Forum

NON Bose factory head unit swap | Chevy TrailBlazer, TrailBlazer SS and GMC Envoy Forum

2004 chevy suburban bose radio wiring diagram

2004 chevy suburban bose radio wiring diagram

RADIO – GMC Envoy XL 2002 – SYSTEM WIRING DIAGRAMS – Schémata zapojení pro automobily

RADIO – GMC Envoy XL 2002 – SYSTEM WIRING DIAGRAMS – Schémata zapojení pro automobily

Trailblazer Wiring Diagram - Complete Wiring Schemas

Trailblazer Wiring Diagram - Complete Wiring Schemas

2004 Trailblazer Engine Performance Wiring Diagram ...

2004 Trailblazer Engine Performance Wiring Diagram ...

Stereo Wiring Diagram Needed: Trying to Install Replacement Stereo...

Stereo Wiring Diagram Needed: Trying to Install Replacement Stereo...

SOLVED: Stereo wiring diagram for 2005 Chevy trailblazer - Fixya

SOLVED: Stereo wiring diagram for 2005 Chevy trailblazer - Fixya

21 Lovely 2004 Chevy Trailblazer Radio Wiring Diagram

21 Lovely 2004 Chevy Trailblazer Radio Wiring Diagram

New 2002 Chevy Trailblazer Radio Wiring Diagram Tips - Diel

New 2002 Chevy Trailblazer Radio Wiring Diagram Tips - Diel

2005 Chevy Trailblazer Stereo Wiring Diagram | Wiring Diagram

2005 Chevy Trailblazer Stereo Wiring Diagram | Wiring Diagram

05 Blazer Stereo Wiring Harness | Wiring Diagram Database

05 Blazer Stereo Wiring Harness | Wiring Diagram Database

20 Unique 2004 Chevy Trailblazer Stereo Wiring Diagram

20 Unique 2004 Chevy Trailblazer Stereo Wiring Diagram

55 Luxury 2004 Gmc Yukon Bose Radio Wiring Diagram | Gmc ...

55 Luxury 2004 Gmc Yukon Bose Radio Wiring Diagram | Gmc ...

2004 Chevy Trailblazer Wiring Diagram For Wires From ...

2004 Chevy Trailblazer Wiring Diagram For Wires From ...

How to Bypass the Amp in a 2004 Impala : 9 Steps - Instructables

How to Bypass the Amp in a 2004 Impala : 9 Steps - Instructables

curlybobhairstyles: 2004 Trailblazer Radio Wiring Diagram

curlybobhairstyles: 2004 Trailblazer Radio Wiring Diagram

2004 Chevy Malibu Radio Wiring Diagram | Free Wiring Diagram

2004 Chevy Malibu Radio Wiring Diagram | Free Wiring Diagram

[DIAGRAM] 2004 Chevy Malibu Radio Wiring Diagram Wiring ...

[DIAGRAM] 2004 Chevy Malibu Radio Wiring Diagram Wiring ...

2004 Gmc Envoy Speaker Wiring Diagram - Wiring Diagram

2004 Gmc Envoy Speaker Wiring Diagram - Wiring Diagram

2002-2007 Trailblazer Remote Start Pictorial

2002-2007 Trailblazer Remote Start Pictorial

[DIAGRAM] 96 Blazer Radio Wiring Diagram FULL Version HD ...

[DIAGRAM] 96 Blazer Radio Wiring Diagram FULL Version HD ...

Comments

Popular posts from this blog

40 colored brain diagram

42 loan origination system workflow diagram

43 printable plant cell diagram