42 kohler generator wiring diagram
PDF Wiring Diagrams - Kohler Co. Kohler Co. reserves the right to change this publication and the products represented without notice and without any obligation or liability ... Wiring Diagram Cross-Reference Generator Set Model No. Hz Generator Set Spec No. Wiring Diagram Version No. 350REOZJ 60 GM76156-GA1 1 350REOZJB 60 GM85455-GA1 1 20rca Kohler Generator Wiring Recipes Variety of kohler transfer switch wiring diagram. A wiring diagram is a streamlined traditional pictorial depiction of an electric circuit. It shows the parts of the circuit as streamlined shapes, and the power and also signal links in between the devices. A wiring diagram normally provides information about the loved… From headcontrolsystem.com
Kohler Engine Wiring Diagram | Fuse Box And Wiring Diagram We have actually accumulated numerous photos, with any luck this image serves for you, as well as aid you in discovering the response you are seeking. Description : Wiring Diagram For 16 Hp Kohler Engine - The Wiring Diagram within Kohler Engine Wiring Diagram, image size 800 X 585 px, and to view image details please click the image.

Kohler generator wiring diagram
Wiring Diagram For Kohler Generator - Wiring Diagram Line Dtv and steam generator wiring diagrams kohler www wanderlodgeownersgroup com s perkins manual l0402312 page 58 of portable 3 5cfz 4cz 6 5cz user guide manualsonline ... Kohler 20kw Generator Wiring Diagram - IOT Wiring Diagram Briggs And Stratton Power Products 040455 00 10 000 Watt Standby Generator With 200 Amp Ats Parts Diagram For Wiring Transfer Switch 195746wd. Milbank 040276b 01 20kw Home Standby Generator Wiring Diagram 202821wd Parts Lookup With Diagrams Partstree. Kohler 20resc Rxt200 2prm Kit 20kw Composite Home Standby Generator Bundle 200a Standard Ats W ... PDF ME-AGS wiring diagram - For Kohler (20EOR Generators) ME-AGS wiring diagram - For Kohler (20EOR Generators) 5-24-2010 Magnum Energy, Inc. provides this diagram to assist in the installation of the Auto-Generator Start controller. ... only while generator is running); can be the generator hour-meter or a 12vdc pilot/run light Input DC Voltage jumper - set to
Kohler generator wiring diagram. PDF Models: 5ECD/4EFCD--Low CO 7.3ECD/6EFCD--Low CO working on the generator set. Remove the negative (--) lead first when disconnecting the battery. Reconnect the negative (--) lead last when reconnecting the battery. WARNING Disabling the generator set. Accidental starting can cause severe injury or death. Before working on the generator set or connected equipment, disable the PDF ME-AGS wiring diagram - For Kohler (RES Series) ME-AGS wiring diagram - For Kohler (RES Series) 10-2-2008 Magnum Energy, Inc. provides this diagram to assist in the installation of the Auto-Generator Start controller. Since the use of this diagram and the conditions or methods of installation, operation and use are beyond the Page 2 | Kohler Wiring Diagram Manuals | Authorized Dealer Add to Compare. Kohler Product Literature #TP-6338. $17.60. Add to Cart. Add to Compare. View as Grid List. Items 13 - 24 of 45. Page. Kohler 5e Marine Generator Parts Diagram - schematron.org Wiring Diagrams Wiring Diagram is a schematic drawing of the wiring of an electrical system. Find all of the Kohler Generator Parts, maintenance kits and accessories right here at AP Electric. We stock a large supply of Kohler parts and ship most orders same .Kohler Marine 5E, 4EF, E, 6EF, 5ECD, 4EFCD, ECD, 6EFCD :Kohler Generator Parts ...
Kohler Generator Wiring Diagram - Smokstak I'm Looking for a wiring diagram No. E-268927 for a Kohler Generator Spec. No. 96613C. Thanks, wwbutler@live.ca PDF Installation Instructions, Remote Annunciator (TT-1023) To determine which accessory connection wiring diagram to use identify the type of generator set controller by the circuit board part number on the controller circuit board. The alphacharacter in the circuit board part number may be different from the one shown. See Figure 1. Circuit Board Part Number Terminal Strip Qty. Wiring Diagram A-328003 Kohler Wiring Diagram Manuals | Authorized Dealer Special Price$21.30Regular Price$24.20. Add to Cart. Add to Compare. Kohler Product Literature #TP-6004 450REOZD-4, 500-2000ROZD-4. Kohler 4.5cm21-rv Wiring Diagram - schematron.org 3 Comments. on Kohler 4.5cm21-rv Wiring Diagram. six standard models are the CM21 -RV, CMRV, Refer to the wiring diagrams in . Service Side View of a Kohler Watt RV Generator Set. AIR. Kohler cm21 RV. I know it has one as I have a wiring diagram but I can't see it. I know it comes off the coil but Model CMRV Hertz I specifically need the wiring ...
DTV and Steam Generator Wiring Diagrams - KOHLER Review the below image for a wiring diagram for the dual steam generator used with the DTV II System. This diagram is specific to Steam Generator models K-1714-NA, K-1715-NA, K-1697-NA and K-1716-NA when used with the K-638-K-NA Media Module and K-682-K-NA Digital Six-Port Thermostatic Valve. Steam Generator Connection Guide.pdf. 200 KB Download. PDF Wiring Diagram Manual, 20ROZJB/20-230REOZJB (TP-6146) Visit the Kohler Co. Generator Division web site at Inside the U.S.A. and Canada, call 1-800-544-2444 Outside the U.S.A. and Canada, call the nearest ... Generator Set Spec No. Wiring Diagram Version No. 20ROZJB 50/60 GM19369-GA1, 2 1 20REOZJB 50/60 GM19369-GA3, 4 1 30REOZJB 50/60 GM19369-GA5, 6 1 Wiring Diagrams For Kohler Generator - Free PDF eBook Record the controller description from the generator set operation manual, spec ..... wiring harness, and engine electronic .... diagrams and drawings in this manual for dimensions and electrical ... kohler-14resa-qs11-14kw-120-240v-ul-generator-installation-manual-1327093527.pdf Kohler 14kw Generator Wiring Diagram - Wiring Diagram and ... Kohler 14000 Watt Lp 12000 Ng Standby Generator With Automatic Transfer Switch In The Home Generators Department At Lowes Com. Kohler 14rca 14kw Aluminum Home Standby Generator. Automatic Generator Wiring Diagrams Magnum Dimensions. Kohler 14kw Air Cooled Dual Fuel 1ph Generator W Comp Encl And 100a Ats Empower Generators.
Kohler Power: Technical Documents: Technical Library ... Types of Technical Documents Available. Dimension Prints. Dimensional information and detailed drawing for a specific product. Schematic Diagrams. Schematic diagrams are used to understand the relative position of parts and to provide graphical instruction to assist in taking apart and rebuilding mechanical assemblies. Wiring Diagrams.
Kohler Generator Transfer Switch - Wiring Diagram kohler automatic transfer switch wiring diagram sherrodstamps. Image Source : sherrodstamps.blogspot.com. 1280 x 720 · jpeg. kohler kw natural gas backup generator system overview youtube. Image Source : . 400 x 300 · jpeg. kohler kw natural gas generator transfer switch box. Image Source : . 2816 ...
Kohler Voltage Regulator Wiring Diagram - Wiring Diagram Delco Remy Starter Generator Wiring Diagram Best Of And Kohler On In - Kohler Voltage Regulator Wiring Diagram. Additionally, Wiring Diagram gives you time frame in which the projects are to become finished. You may be capable to learn precisely once the tasks should be accomplished, that makes it much simpler for you to effectively control ...
PDF Industrial Generator Sets Kohler Co. reserves the right to change this publication and the products represented without notice and without any obligation or liability ... Generator Set Model No. Hz Generator Set Spec No. Wiring Diagram Version No. 20RZ 50/60 GM28726-GA1 1-1 25RZGB 60 GM22316-GA5, 7, 9 3-1 30RZG 50/60 GM22383-GA1, 7, 10 2-1 GM39370-GA1, 7, 10, 13, 14 2-2
Kohler Wiring Diagrams - U Wiring Kohler wiring diagrams. A good received company that has a long track compilation of providing the most up-to-date wiring diagrams comprehensible is not hard to find. ... Kohler generators parts manual diagram marine generator wiring moima villaarvedi it page 58 of portable 3 5cfz 4cz 6 5cz user guide manualsonline com mercury 25 hp full ...
KOHLER Generator Installation Guides - TAW Power Systems ... The following guides can help streamline your next installation: KOHLER Residential Generator Installation Guide. KOHLER Industrial Generator Installation Guide. Call us Toll-Free 800-333-9449, or email us at tawinfo@tawinc.com, to request more information on, Installation Guides.
Kohler 14kw Generator Wiring Diagram - U Wiring Schematic diagrams are used to understand the relative position of parts and to provide graphical instruction to assist in taking apart and rebuilding mechanical assemblies. Kohler 14kw Natural Gas Backup Generator System Overview Youtube. Kohler 23 Hp Engine Parts Diagram Wiring Diagram Library. 25REZG 5060 GM69415-GA1357911 1.
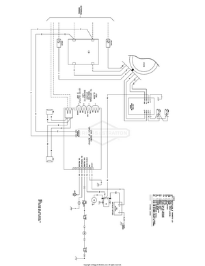
Kohler Generator Wiring Diagram - Studying Diagrams It shows the elements of the circuit as streamlined forms as well as the power and also signal links in between the devices. On Kohler 45cm21-rv Wiring Diagram. 35RES 5060 GM39370-GA11 15 16 2-2 GM60227-GA3 4 8 11 45RES 5060 GM39370-GA12 17 18 2-2 2-2. Kohler Manual Tp 5851 Generators Online Dealer.
Generator Technical Manuals and Documents | Kohler Power Get the technical documents you need, including: schematic diagrams, wiring diagrams, and specification sheets for your Kohler Power generator.
PDF Wiring Diagrams - Kohler Power Kohler Co. reserves the right to change this publication and the products represented without notice and without any obligation or liability ... Generator Set Model No. Hz Generator Set Spec No. Wiring Diagram Version No. 25REZG 50/60 GM69415-GA1,3,5,7,9,11 1 30REZG 50/60 GM69415-GA2,4,6,8,10,12 1 40REZG 50/60 GM66092-GA1,3,5 2
PDF ME-AGS wiring diagram - For Kohler (20EOR Generators) ME-AGS wiring diagram - For Kohler (20EOR Generators) 5-24-2010 Magnum Energy, Inc. provides this diagram to assist in the installation of the Auto-Generator Start controller. ... only while generator is running); can be the generator hour-meter or a 12vdc pilot/run light Input DC Voltage jumper - set to
Kohler 20kw Generator Wiring Diagram - IOT Wiring Diagram Briggs And Stratton Power Products 040455 00 10 000 Watt Standby Generator With 200 Amp Ats Parts Diagram For Wiring Transfer Switch 195746wd. Milbank 040276b 01 20kw Home Standby Generator Wiring Diagram 202821wd Parts Lookup With Diagrams Partstree. Kohler 20resc Rxt200 2prm Kit 20kw Composite Home Standby Generator Bundle 200a Standard Ats W ...
Wiring Diagram For Kohler Generator - Wiring Diagram Line Dtv and steam generator wiring diagrams kohler www wanderlodgeownersgroup com s perkins manual l0402312 page 58 of portable 3 5cfz 4cz 6 5cz user guide manualsonline ...
Comments
Post a Comment