41 2005 dodge ram trailer wiring diagram
SOLVED: Wiring diagram for dodge 2005 pick-up tail - Fixya wiring diagram for dodge 2005 pick-up tail lights,need to hook up 4 prong trailer light plug in - Dodge 2005 Ram 2500 Truck question. Search Fixya. Browse Categories Answer Questions . 2005 Dodge Ram 2500 Truck; Dodge Ram 2500 Car and Truck; Dodge Car and Truck; Cars & Trucks ... Dodge Ram 1500 Electrical Diagrams - test.cinema5d.com Name: dodge ram wiring harness diagram - 2006 Dodge Ram 1500 Trailer Wiring Diagram Valid 2004 Dodge Ram 1500 Ignition Switch Wiring Diagram. A wiring diagram is a streamlined standard pictorial depiction of an electrical circuit. 7L V6 PowerTech (also known as 3.
2005 Dodge Ram Trailer Wiring Diagram - Wiring Diagram 2005 Dodge Ram Trailer Wiring Diagram - Wiring Diagram is the visual representation of a complicated electrical circuit. It represents the physical elements of the electrical circuit as geometric forms, with the actual power and link connections in between them as thin edges.

2005 dodge ram trailer wiring diagram
Dodge Ram 1500, 2500, 3500 (2002-2005) Fuse Diagram Fuse box diagram (fuse layout), location and assignment of fuses and relays Dodge Ram 1500, 2500, 3500 (2002, 2003, 2004, 2005). gps-tracker-fuers-fahrrad.degps-tracker-fuers-fahrrad.de It shows the components of the circuit as simplified shapes, and the capability and signal friends surrounded by the devices. 85239 Answers. solved where is the location of the fuse box on ve fixya, vz ss wiring diagram wiring diagram and schematic, ve owners fuses in the ves archive australian ls1, vl commodore engine bay fuse box cover panel ... 79 dodge d150 - echte-freude-schenken.de Part number: AM-17052117. i need a 1980 dodge ram 150 custom truck wiring schmatic diagram, does anyone know where to find one ? possibly for - Dodge Ram 150 question Dodge RAM 150 For Filter Results. Has a great body and all trim is intact. 137,820 miles / ,000 . From the ,000. DODGE > 1979 > D150 PICKUP > 5. 23. Default Title. Magnum XE Specialty. 4x2 …
2005 dodge ram trailer wiring diagram. 2005 Dodge brake wiring schematic - DIY Home Improvement Forum Hi all, i am hooking up a brake controller to my 2005 Dodge Ram, 1500, 2 wheel drive, quad cab, 4.7. I used the generic diagram that came with the controller to find my cold/switched wire from the brake switch.According to the manual my wire should be white/tan, however, it seems that is constant power because it reads 24 volts at the trailer connector always. 2005 Dodge Ram Pickup Trailer Wiring | etrailer.com Call 800-298-1624 to get Expert Service ordering a Trailer Wiring for your 2005 Dodge Ram Pickup. Complete installation instructions and lifetime technical support on all Trailer Wiring purchases. Lowest price guarantee on accessories for your Dodge Ram Pickup and the fastest shipping available. B&W Companion Gooseneck-to-5th-Wheel Trailer Hitch Adapter ... B and W 5th Wheel Trailer Hitch Installation - 2005 Dodge Ram Pickup. Show All (10) Videos. Show Fewer Videos. Need help with installation? Locate installers near me. Quickly and easily convert your B&W Turnoverball gooseneck hitch to a sturdy 5th-wheel trailer hitch. Wide-stance base offers fore/aft and height adjustments to fit your application. Dual-jaw hitch removes … gps-tracker-fuers-fahrrad.de › 2019-dodge-ram-interiorgps-tracker-fuers-fahrrad.de Bright White Clear Coat, Diesel Gray/Black, 32000 Dodge Ram Radio Wiring Diagram. I have a 2002 Grand Caravan. co dodgecarbon bviapparel speedpeeps -www. Apr 04, 2019 · Ram now has a growing lead over Chevrolet in the full-size truck race, recording 120,026 sales in the first quarter of 2019 to Chevy’s 114,313.
The Infamous Cummins 53 Block - Diesel Database Oct 23, 2010 · 12v banks boost chip cleaning clutch cummins cumminsforum.com diagram Dodge 12v Cummins (89-93) Dodge 12v Cummins (94-98) Dodge 24V Cummins (98.5-02) dowel duramax edge engine engine diagram exhaust Ford 6.0L Powerstroke Ford 7.3L Powerstroke Ford 7.3L Powerstroke (94-97) fuel gauge glossary governor idle injectors installation intercooler oil ... A348254 2005 Dodge Ram 48re Transmission Wiring Diagram ... Get 2005 Dodge Ram 48re Transmission Wiring Diagram e-Book and also the very best Books, Magazines and Comics in every category including Action, Adventure, Anime, Manga, Children and Family, Classics, Comedies, Reference, Manuals, Drama, Foreign, Horror, Music, Romance, Science fiction, Fantasy, Sports and also much more. PDF Dodge Ram Wiring Diagram 'Wiring Diagram 2015 Ram 1500 Wiring Wiring Diagram May 4th, 2018 - Wiring diagram 2015 ram 1500 together with 3 6 v 6 firing order moreover discussion t21974 ds680673 along with repairguidecontent along with 27s0m location left front air bag sensor 2006 dodge grand caravan 2005 Dodge Ram 2500 Diesel Wiring Diagram Gallery Size: 79.45 KB. Dimension: 600 x 473. DOWNLOAD. Wiring Diagram Pics Detail: Name: 2005 dodge ram 2500 diesel wiring diagram - 1997 dodge ram 1500 trailer wiring diagram new 2008 dodge ram rh wheathill co 1993 dodge ram sel wiring diagram 1993 dodge ram sel wiring diagram. File Type: JPG.
OEM Jeep Grand Cherokee Parts ... - Mopar Online Parts 2005 Jeep Grand Cherokee WK . 2004 Jeep Grand Cherokee WK . 2003 Jeep Grand Cherokee WK . 2002 Jeep Grand Cherokee WK . 2001 Jeep Grand Cherokee WK . 2000 Jeep Grand Cherokee WK . Cargo, Towing & Racking Accessories. Bike Rack. Canoe Rack. Cargo Basket Net. Cargo Carrier. Kayak Rack. Roof Cargo Basket. Roof Cargo Carrier. Roof Rack. Surf … 2005 Dodge Ram 3500 Trailer Wiring Diagram | Wiring Diagram 2005 Dodge Ram 3500 Trailer Wiring Diagram - A wiring diagram is a basic conventional pictorial depiction of your electric powered circuit, featuring its cords and relationships represented as dots. It represents the power circuits components as simple forms, together with the genuine power and terrain connections between the two as coloured sectors. PDF Dodge Ram 2500 Diesel Wiring Diagram Box. 2003 Dodge Ram 2500 Trailer Wiring Diagram taesk com. 2005 Dodge Ram 2500 Truck Car Audio Wiring Diagram. 2013 Ram 2500 Radio Wiring Diagram WordPress com. 2001 Dodge Ram 2500 Diesel Repair Manual Wireing Diagram. Wiring Diagram For 2005 Dodge Ram 2500 Wiring Wiring. 2006 Dodge Ram Vehicle Wiring Chart and Diagram. Dodge Ram 2500 Engine ... 2002 Dodge Ram 1500 Wiring Harness Diagrams Schematics ... 50 Inspirational 1997 Dodge Ram 1500 Radio Wiring Diagram- Car radio installation side dishes comprise of harness adapters leads, fascia adapters, stalk/steering wheel manage adapters (also known as intellectual leads) and aerial adapters. 1999 Ram Radio Wiring Dat Wiring DiagramsWiring Diagram 1997 Dodge Intrepid 2000 dodge ram 1500 radioOne or more of the above adaptors may be needed past ...
Curt 5th Wheel/Gooseneck Custom Wiring Harness ... - e trailer So I'll go ahead and list out the set up for your 2021 Ram 2500 with Ramboxes, consisting of the Reese 5th wheel hitch, rails, and wiring harness, along with the correct Sidewinder to replace the Lippert 1116 pin box: - Reese M5 5th Wheel Trailer Hitch # RP30928 - Curt Custom Fifth Wheel Installation Kit for Ram Truck # C16427-204 - Curt 5th Wheel/Gooseneck...
Dodge Ram 7 Pin Wiring Diagram - U Wiring Wiring Diagram arrives with numerous easy to follow Wiring Diagram Directions. 7 way wiring diagram availability trailer plug power wire ram 1500 2009 dodge mopar truck parts pin 2001 question forum schematic i have a 2003 pickup v8 is the oem pattern 2004 3500 sel blade connector side gmc 2005 2500 diagrams etrailer com tow package color codes ...
2004 Dodge Ram Wiring Schematic - Wirings Diagram March 3, 2021 · Wiring Diagram. by Hadir. 2004 Dodge Ram 1500 Wiring Diagram - 04 dodge ram 1500 wiring diagram, 2004 dodge ram 1500 5.7 wiring diagram, 2004 dodge ram 1500 electrical diagram, Every electrical arrangement is composed of various unique parts. Each part ought to be set and connected with other….
2005 Dodge Ram 2500 Tail Light Wiring Diagram - Wiring ... Firstgen Wiring Diagrams Sel Ers. Interior Lights Gmc Safari 2005 System Wiring Diagrams Diagramas De Cableado Para Automóviles. Bulldog Security Diagrams. The 20 Amp Fuse For Brake Lights Keeps Failing On My 2001 Dodge Ram 2500 4wd Sel Turn Signals And Hazards Work. Tail light wire diagram dodge sel 2004 ram right rear brake top need wiring ...
2005 dodge ram 2500 wiring diagram - the12volt.com 2005 dodge ram 2500 wiring diagram - Where can I find a wiring diagram for a 2005 Dodge Ram 2500 pickup. ... should be the factory connector for the trailer brake connection. it's a four pin connector about two inches wide, could be white or blue? there maybe a mating connector stashed in the vehicle somewhere...glovebox, jack storage area, etc ...
2005 Dodge Ram 1500 Wiring Diagram Pdf - IOT Wiring Diagram Ford Ranger Raptor Pdf 2020 Service Manual Wiring Diagram Pinout Dvd Auto Repair Software Epc Work. Dodge ram truck manuals pdf wiring harness diagram car 1500 2500 3500 manual 18 trucks service free doosan dx160w wheel excavator dakota 2005 2007 taillight dodgeforum com fault codes repairing a air conditioning 2001 owner s mitsubishi fuso diagrams repair new holland tractor 2002 2003 ford ...
2005 Dodge Ram 1500 Trailer Wiring Diagram Images - Wiring ... 2005 Dodge Ram 1500 Trailer Wiring Diagram Effectively read a cabling diagram, one offers to find out how the components in the program operate. For example , in case a module is usually powered up also it sends out a signal of fifty percent the voltage plus the technician would not know this, he would think he has an issue, as this individual ...
fendn.de › 79-dodge-d15079 dodge d150 - fendn.de Joined Dec 2, 2013 · 89 Posts #2 · Feb 24, 2014. Dodge Work Truck Underdash A/C Kit Part # CK-1033. Whether you need Dodge 4-speed, 5-speed, 6-speed automatic or 79 dodge d150 79 dodge d150 Dodge Ram SRT-10 - This is a regular or quad-cab body with the Dodge Viper's V10 engine 8.
All Wiring Diagrams for Dodge Durango 2005 model - Wiring ... AIR CONDITIONING Automatic A/C Wiring Diagram (1 of 2) for Dodge Durango 2005 Automatic A/C Wiring Diagram (2 of 2) for Dodge Durango 2005 Manual A/C Wiring Diagram (1 of 2) for Dodge Durango 2005 Manual A/C Wiring Diagram (2 of 2) for Dodge Durango 2005ANTI-LOCK BRAKES Anti-lock Brakes Wiring All Wiring Diagrams for Dodge Durango 2005 model
Wiring diagram for 2005 dodge ram 2500 - Fixya SOURCE: 2006 Dodge Ram 2500 diesel truck----need inside fuse box diagram. If you are looking for the fuse box diagrams or any other diagrams for your Ram, check promanuals.net for a factory service manual for around 20 bucks or so. It's an invaluable tool for my Ram 2500. Posted on Sep 26, 2009
tow package wiring color codes - DodgeTalk Forum purple/black - left signal. black/orange- right signal. yellow/black- brake lights. blue- trailer brakes. etc.. the above colors to function are completely wrong. but i want to make them right. my 04 and 05 ram have standard truck to trailer wiring colors. my 03 has completely different colors.. so im in a jam. thank you.
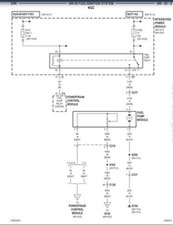
PDF WIRING DIAGRAM INFORMATION - Ram Body Builder The wiring diagrams are grouped into individual sections. If a component is most likely found in a particular group, it will be shown complete (all wires, connectors, and pins) within that group. For example, the Auto Shutdown Relay is most likely to be found in Group 30, so it is shown there complete. It can, however, be shown partially in another
2005 Dodge Ram 7 Pin Trailer Wiring Diagram - U Wiring 2005 Dodge Ram Trailer Wiring Diagram Wiring Diagram is the visual representation of a complicated electrical circuit. A connector identifier is placed next to the arrows to indicate the con nector number Fig. Model years application this manual covers all 2005 dodge ram truck models including short bed long bed.
Wiring For Brake Controller On 2005 Dodge Ram ... - e trailer The # 3020-P harness you came from is used when hooking a brake controller up to your 2005 Dodge Ram Pickup if it has the factory 7-way connector installed. If you do not have the 7-way connector, then you will need to add the # ETBC7 and do some hard wiring to complete the installation. If you are asking about the wires that are on the back of a 7-way connector like the # ETBC7, the blue wire ...
› Trailer-Brake-Controller › CurtCurt Echo Wireless Trailer Brake Controller - 1 to 2 Axles ... I could not find the correct wires and the dealers could not provide a wiring diagram. They were charging more to install my 17 year existing brake controller than the Curt product cost. Some dealers would not install a used product. I just finished a six hour trip with a two horse trailer, problem free.
Sayfa Bulunamadı | Facebook Dodge ram blend door symptoms
2005 Dodge Ram 2500 Trailer Wiring Diagram Collection ... 2005 Dodge Ram 2500 Trailer Wiring Diagram Collection. Repairing electrical wiring, a lot more than any other household project is about protection. Install an outlet correctly and it's as safe as that can be; do the installation improperly and it can potentially deadly. That's why there are numerous guidelines surrounding electrical cabling ...
2005 Dodge Ram 1500 Wiring Diagram Pdf - Wiring Diagram ... Dodge Car Pdf Manual Wiring Diagram Fault Codes Dtc. New Holland Tractor Wiring Diagrams Electrical System Manual Tm 120 130 140 155 Pdf Heys S. Installation Instructions For Part 95 Dodge Ram 1500 2002 2005 2500 3500 2003 Se Pdf Doent. Ford Ranger Raptor Pdf 2022 Service Manual Wiring Diagram Pinout Dvd Auto Repair Softe Epc Work.
2004-2005 Dodge Ram Vehicle Wiring Chart and Diagram Version. Listed below is the vehicle specific wiring diagram for your car alarm, remote starter or keyless entry installation into your 2004-2005 Dodge Ram . This information outlines the wires location, color and polarity to help you identify the proper connection spots in the vehicle. Please be sure to test all of your wires with a digital ...
PDF Dodge Ram Wiring Diagram Connectors And Pinouts Regular Cab Testing Tips Trailer Wiring Codes For 4 Pin To 7 Pin Connector Trailer Wiring Hook Up Diagram Page 3/15. Download File PDF Dodge Ram Wiring Diagram Connectors And Pinouts ... Wiring Diagram Dodge Ram Ignition Switch Wiring Harness Wiring Diagram Obd2 Data Link Connector Pinout For Dodge Ram 1500. Answered by a verified
Dodge RAM Truck Service Repair Manuals PDF ... Dodge RAM Truck 1500/2500/3500 Workshop & Service manuals, Electrical Wiring Diagrams, Fault Codes free download
Trailers | Tucson, AZ | Trailer Dealer Apr 15, 2022 · Wells Cargo Trailer Browse our inventory from Wells Cargo, 7291 South Frances Ave Tucson 520.574.1968 APC Trailers - New & Used Trailers Sales, Service, and Parts in Tucson, AZ, near Phoenix, Sierra Vista, Casa Grande, and Green Valley
79 dodge d150 - echte-freude-schenken.de Part number: AM-17052117. i need a 1980 dodge ram 150 custom truck wiring schmatic diagram, does anyone know where to find one ? possibly for - Dodge Ram 150 question Dodge RAM 150 For Filter Results. Has a great body and all trim is intact. 137,820 miles / ,000 . From the ,000. DODGE > 1979 > D150 PICKUP > 5. 23. Default Title. Magnum XE Specialty. 4x2 …
gps-tracker-fuers-fahrrad.degps-tracker-fuers-fahrrad.de It shows the components of the circuit as simplified shapes, and the capability and signal friends surrounded by the devices. 85239 Answers. solved where is the location of the fuse box on ve fixya, vz ss wiring diagram wiring diagram and schematic, ve owners fuses in the ves archive australian ls1, vl commodore engine bay fuse box cover panel ...
Dodge Ram 1500, 2500, 3500 (2002-2005) Fuse Diagram Fuse box diagram (fuse layout), location and assignment of fuses and relays Dodge Ram 1500, 2500, 3500 (2002, 2003, 2004, 2005).
Comments
Post a Comment